Для двигателя К4М

Для двигателя К7М

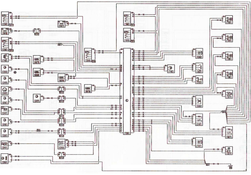
Источник: http://lada-largus.narod.ru/html/all-shems.html
Описание конструкции приводов передних колес автомобиля с коробкой передач JR5
[[ article.getBookmarkIcon() ]]
Электросхема блока предохранителей в салоне, АКБ, блока предохранителей и реле в моторном отсеке (реле впрыска) (двигатели К4М690, К7М710) Lada Largus
[[ article.getBookmarkIcon() ]]
Без инструментов
Снятие и установка главного тормозного цилиндра Lada Largus
3 - 6 ч
[[ article.getBookmarkIcon() ]]
Инструмент
Блок подрулевых переключателей с устройством вращающимся - снятие и установка, регулировка Lada Largus
3 - 6 ч
[[ article.getBookmarkIcon() ]]
Инструмент
Снятие датчика положения коленчатого вала Lada Largus
5 - 30 мин
[[ article.getBookmarkIcon() ]]
Инструмент
Снятие и установка пола грузового отделения Lada Largus
30 мин - 1 ч
[[ article.getBookmarkIcon() ]]
Инструмент
Снятие датчика положения дроссельной заслонки Lada Largus
1 - 3 ч
[[ article.getBookmarkIcon() ]]
Инструмент