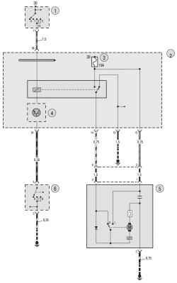
Общая информация
Большая часть отказов турбокомпрессора оказываются связанными с нарушением подачи масла. Утечки при выключении двигателя могут приводить к попаданию двигательного масла в турбокомпрессор и закоксовыванию маслотоков, - в первую очередь всегда проверяйте проходимость линий подачи и возврата масла. При подключении линий масляного тракта в обязательном порядке производите замену обеих уплотнительных шайб полых болтов штуцерных соединений.
Снятие
ПОРЯДОК ВЫПОЛНЕНИЯ |
|||||||||
|
Установка
ПОРЯДОК ВЫПОЛНЕНИЯ |
|
|






