Вам потребуется отвертка с плоским лезвием.
1. Отсоедините провод от клеммы «минус» аккумуляторной батареи.
|
|
|
|
2. Аккуратно поддев отверткой блок управления наружными зеркалами… |
3. …извлеките его. |
|
|
4. Отжав отверткой фиксатор, отсоедините колодку жгута проводов от вывода блока управления.
5. Установите блок управления наружными зеркалами в обратном порядке.
Источник: http://www.automnl.com/model/ford_fusion/364/
Проверка свободного хода (люфта) рулевого колеса в автомобиле Ford Focus 2
[[ article.getBookmarkIcon() ]]
Без инструментов
Описание конструкции сцепления в автомобиле Ford Focus 2
[[ article.getBookmarkIcon() ]]
Без инструментов
Снятие стекла задней двери в автомобиле Ford Focus 2
3 - 6 ч
[[ article.getBookmarkIcon() ]]
Инструмент
Проверка системы охлаждения при признаках перегрева автомобиля Ford Focus 2
30 мин - 1 ч
[[ article.getBookmarkIcon() ]]
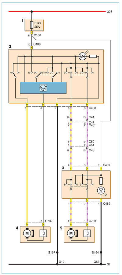
Схема 43. Схема включения обогрева ветрового и заднего стекол в автомобиле Ford Focus 2
[[ article.getBookmarkIcon() ]]
Без инструментов
Самостоятельное подтягивание рулевой рейки в автомобиле Ford Focus 2
1 - 3 ч
[[ article.getBookmarkIcon() ]]
Подъёмник
Ремонт электромагнитной муфты компрессора кондиционера в автомобиле Ford Focus 2
3 - 6 ч
[[ article.getBookmarkIcon() ]]
Подъёмник
Снятие и установка свечей предпускового прогрева в автомобиле Ford Focus 2
[[ article.getBookmarkIcon() ]]
Подъёмник
Снятие насоса гидроусилителя рулевого управления в автомобиле Ford focus 2
1 - 3 ч
[[ article.getBookmarkIcon() ]]
Подъёмник


