


Технология обслуживания, инструмент и оборудование рабочего места для Audi A4
[[ article.getBookmarkIcon() ]]
Без инструментов


Запуск двигателя от вспомогательной аккумуляторной батареи на Audi A4
[[ article.getBookmarkIcon() ]]
Инструмент

Автомобильные химикалии, масла и смазки для Audi A4
[[ article.getBookmarkIcon() ]]
Без инструментов


Органы управления и приёмы безопасной эксплуатации на Audi A4
[[ article.getBookmarkIcon() ]]
Без инструментов

Блокировка переключений АТ, модели с 5-ступенчатой АТ(Схема) на Audi A4
[[ article.getBookmarkIcon() ]]
Без инструментов

Электронная система усиления рулевого привода (Схема) на Audi A4
[[ article.getBookmarkIcon() ]]
Без инструментов


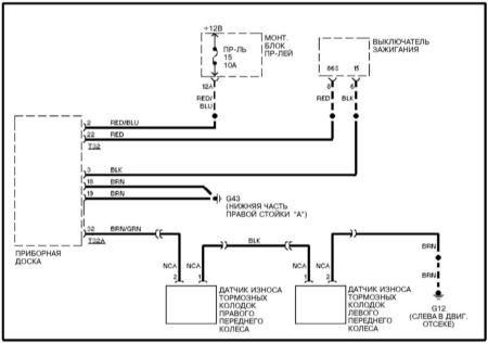
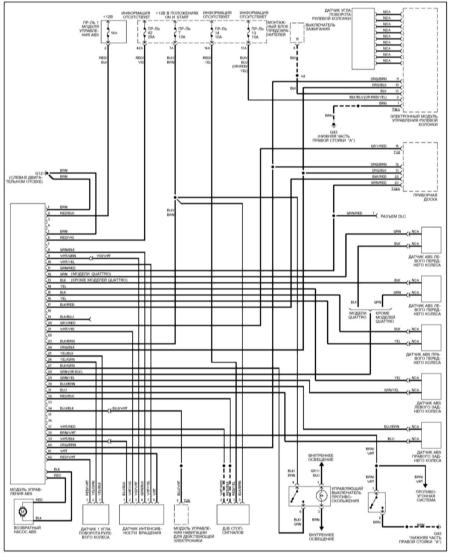
Система анти-блокировки тормозов (ABS) (Схема) на Audi A4
[[ article.getBookmarkIcon() ]]
Без инструментов

Системы дополнительной безопасности (SRS) (Схема) на Audi A4
[[ article.getBookmarkIcon() ]]
Без инструментов


Фары с газоразрядными лампами высокой интенсивности (Схема) на Audi A4
[[ article.getBookmarkIcon() ]]
Без инструментов


Обогрев сопел подачи омывающей жидкости (Схема) на Audi A4
[[ article.getBookmarkIcon() ]]
Без инструментов



Огни заднего хода, модели с РКПП (Схема) на Audi A4
[[ article.getBookmarkIcon() ]]
Без инструментов
- chevron_left
- 1
- 2
- 3
- 4
- 5
- 6
- ...
- 19
- chevron_right