Замена батарейки в электронном ключе Ниссан Х-Трейл
5 - 30 мин
[[ article.getBookmarkIcon() ]]
Инструмент
Замена моторчика люка Ниссан Х-Трейл 2007 - 2014
30 мин - 1 ч
[[ article.getBookmarkIcon() ]]
Инструмент
Электрическая схема включения прикуривателя и розеток Ниссан Х-Трейл Т31
[[ article.getBookmarkIcon() ]]
Без инструментов
Электрическая схема подогрева сидений Ниссан Х-Трейл Т31
[[ article.getBookmarkIcon() ]]
Без инструментов
Электрическая схема соединений системы зарядки Ниссан Х-Трейл 2007 - 2014
[[ article.getBookmarkIcon() ]]
Без инструментов
Электрическая схема системы запуска с вариатором и МКПП Ниссан Х-Трейл
[[ article.getBookmarkIcon() ]]
Без инструментов
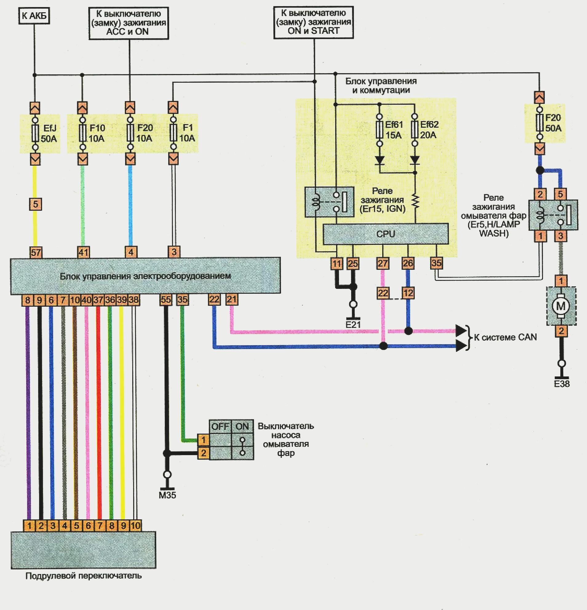
Электрическая схема автоматического включения света Ниссан Х-Трейл Т31
[[ article.getBookmarkIcon() ]]
Без инструментов
Электрическая схема фонаря света заднего хода Ниссан Х-Трейл
[[ article.getBookmarkIcon() ]]
Без инструментов
Электрическая схема стоп-сигнала Ниссан Х-Трейл Т31
[[ article.getBookmarkIcon() ]]
Без инструментов
Замена заднего тормозного диска Ниссан Х-Трейл 2007 - 2014
1 - 3 ч
[[ article.getBookmarkIcon() ]]
Яма / Эстакада
Снятие задних подстаканников Ниссан Х-Трейл Т31
30 мин - 1 ч
[[ article.getBookmarkIcon() ]]
Инструмент
Замена колодок ручника Ниссан Х-Трейл 2007 - 2014
3 - 6 ч
[[ article.getBookmarkIcon() ]]
Инструмент
Регулировка стояночного тормоза Ниссан Х-Трейл
30 мин - 1 ч
[[ article.getBookmarkIcon() ]]
Инструмент
Проверка компрессии в цилиндрах Ниссан Х-Трейл 2007 - 2014
3 - 6 ч
[[ article.getBookmarkIcon() ]]
Инструмент